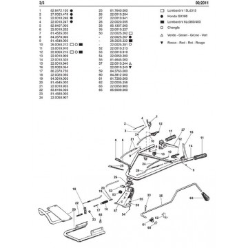
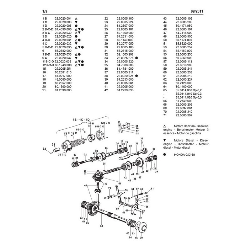
Fraise Droite pour Motobineuse EURO 102 Eurosystems

220015110

Téléchargement

Télécharger EURO 102

Téléchargement (392.61k)

4 autres produits dans la même catégorie :

Product added to compare.